威廉希尔
全部
标题
内容
威廉希尔
集团概况
集团简介
领导团队
群团组织架构
集团荣誉
建设资质
交通建设
企业开展
新闻中心
企业文化
依法治企
党建群团
党群工作
党史学习教育
所属企业
您现在的位置:
威廉希尔
>> 招标采购 >> 正文
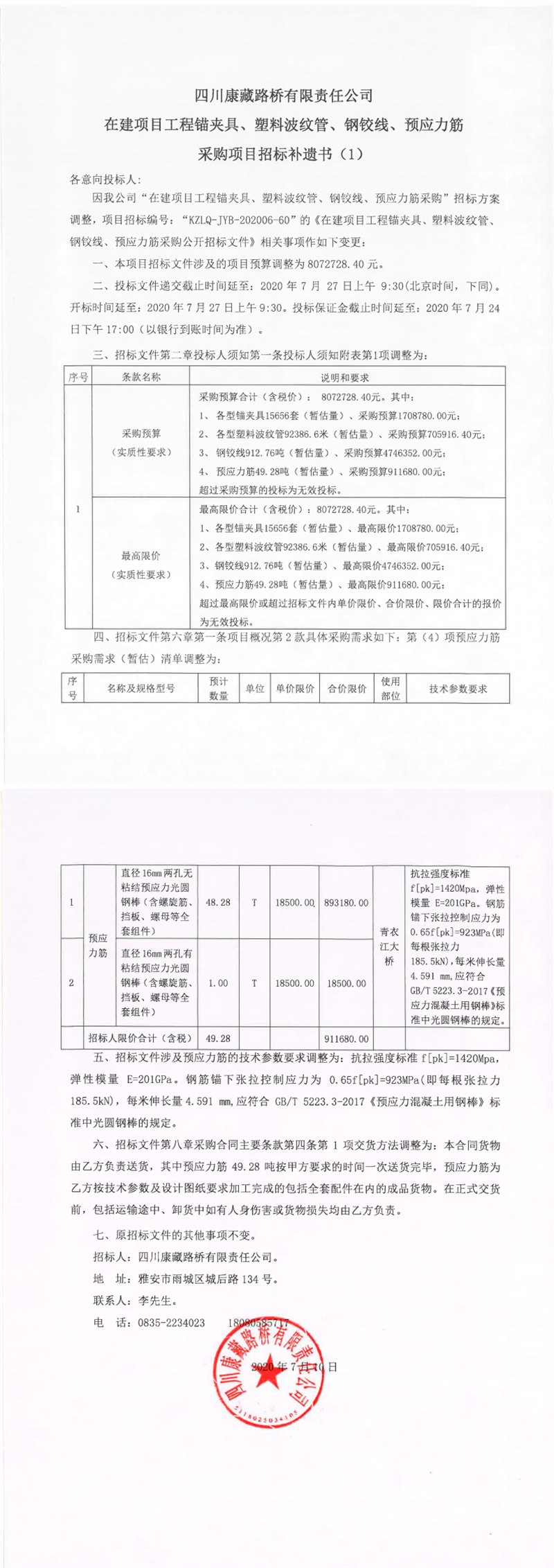
四川康藏路桥有限责任公司在建项目工程锚夹具、塑料波纹管、钢铰线、预应力筋采购项目招标补遗书(1)
【发布日期:2020-07-10】
【字号:
大
中
小
】 【
关闭此页
】
上一篇
:
威廉希尔集团无水港物流有限责任公司雅安市凤鸣综合物流园项目户外广告牌制作安装施工项目竞争性谈判公告
|
下一篇
:
四川康藏路桥有限责任公司宝兴分公司省道432线雅安段扩建工程K19新建拌合站施工劳务磋商公告(第二次)
版权所有 雅安市交通建设(集团)有限责任公司
地址:雅安市雨城区北环东路306号 集团公司办公室电话:0835-5897853
技术支持:北纬网(0835-2350262) 蜀ICP备18001252号 川公网安备 51180202511905号
分享按钮